電接點壓力表-壓力儀表-南京華爾威儀表有限公司

      <optgroup></optgroup>
      歡迎來到南京華爾威儀表有限公司網站!25年專注電😗氣系統集成解決方案。

      南京華爾威儀表有限公司

      25年專注電氣系統集成解決方案

      提供變頻櫃、PLC控制櫃、抽屜櫃等電氣成套設計定制

      咨詢熱線

      壓力儀表
      電接點壓力表

      一、電接點壓力表産品概述磁助電接點壓力表廣泛應用于石油、化工、冶金、電站等工業部門或機電設備配套中測量無😺爆炸危險的各種流體介質的㊙️壓力。通常,電接點壓力表經與相應的電氣器件(如繼電器及接觸器等)配套使用

      全國服務熱線:

      在線咨詢
      • 産品詳情

      一、電接點壓力表産品概述

      磁助電接點壓力表廣泛應用于石油、化工、冶金、電站等👩‍🍼工👽業部門或機電設備配套中測量無爆炸危險的各種流體介質😁的壓力。通常,電接點壓力表經與相應的電氣器件(如繼電器及接觸器等)配套使用,即可對被測(控)壓👯🏾‍♂️力系統實現自動控制和發信(報警)的目的。電接點壓力表适用于測量對銅合金無腐蝕、無爆炸危險、非結晶的各種液體、氣體😁等介💔質壓力。儀表經與相應的電氣器件🏊🏾‍♀️配套使用,可達🙂‍↔️到對被測壓力系統實現預先設定的最😵‍💫大或最小🔞壓力值的雙位自動控制和發信(報警)的目的。儀表🧑🏾‍🎄具有測量控制功能,可任意設定上、下限值,動作穩ˇ定可靠,在石油、化工、電站👩🏽‍🐰‍👩🏿、冶金等工業企業及機電設備上廣泛配套使用。


      二、電接點壓力表産品原理

      電接點壓力表由測量系統、指示裝置、磁助電接點裝置、外殼、調💑🏾節裝置及接線盒等組成。當被測壓力作用于彈💔簧管時,其🙈末端産生相應的彈性變形一位移,經傳動機構放大後,由指示裝置在度盤上指👀示出來。同時指針帶動電接點裝置的活動觸點與設定指針上的觸頭(上限或下限)相接觸的瞬時,緻✍🏻使控制系統接通或斷開電路,以達到自動控制和發信報警的目的🙂‍↔️。在電接點裝置的電接觸信号針👹上,裝有可調節的永久磁鋼,可以增加🧜🏼‍♀️接點吸力,加快接觸動作,從而使觸點接觸可靠,消除電弧,能有效地避免儀表由于工作😁環境振動或介質壓力脈動造成觸點的頻繁關斷。所以該儀表具有動作可靠、使^用壽命長、觸點開關功率較🙂‍↕️大等優點。

      ● 接點裝置電氣參數及控制形式




      三、電接點壓力表型号表示



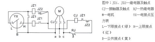
      四、電接點壓力表電氣電路連接示意圖



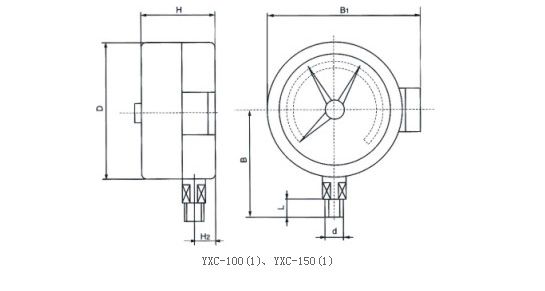
      五、電接點壓力表外形尺寸


      • 南京華爾威儀表有限公司

        掃一掃了解更多

          <optgroup></optgroup>