V錐流量計-流量儀表-南京華爾威儀表有限公司
    <address id="njl3i_l55_4v5a4"><ins id="ihhwli_ezuxie_52ad"><sup></sup><noframes><acronym></acronym>
        1. 歡迎來到南京華爾威儀表有限公司網站!25年專注電氣系🧑🏽‍❤️‍💋‍🧑🏻統集成解決方案。

          南京華爾威儀表有限公司

          25年專注電氣系統集成解決方案

          提供變頻櫃、PLC控制櫃、抽屜櫃等電氣成套設計定制

          咨詢熱線

          流量儀表
          V錐流量計

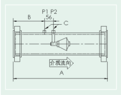
          一、V錐流量計主要概述  V錐流量計,又名:V型錐流量計;V形ˇ錐🤑流💞量計;錐型流量計;錐形流量計;内錐流量計;内錐式流量計😸,一體化V錐流量計V錐流量計(V-cone flowmete

          全國服務熱線:

          在線咨詢
          • 産品詳情

          一、V錐流量計主要概述

            V錐流量計, 又名:V型錐流量計;V形錐流量計;錐型流量計;錐形流量計;内🙈錐流量計;内錐式流量計,一體化V錐流量計V錐流量計(V-cone flowmeter)是一種根據質量守恒定律和能量守恒定律來測量管内流😸體流量的差壓式儀表。它利用V錐體在流場中🧜🏼‍♂️産生的節流效ˇ應,通💁🏼‍♀️過檢測上下遊壓差來測量流量。與普通😍節流件相比,它改變了節流布局,從中心孔節💘流改爲環狀節流。實踐使用證明,V錐流量計與其他流量儀表相比,具有長期精度高、穩定性🧑🏽‍❤️‍💋‍🧑🏻好,受安裝條件局限小、耐磨損、測量範圍寬、壓損小、适合贓污介質等優點。而且V錐體本身作爲流場的整流器而成爲一種~具有獨特性能的優異的新型流量計。由🙂‍↔️V錐傳感器和差壓變送器組合而成的V錐流量計,可精确測量寬雷諾數(8×103≤Re≤5×107)範圍内各種介質的流量。


          二、 V錐流量計 主要技術參數
          ·精度等級:0.5級(差壓流量變送器精度應高于0.2級,含0.2級),(β:0.45~0.85,當β‹0.55,量 程比4∶1時,精度等級:≤0.30)
          ·重複性:0.1%
          ·工作壓力:0~40MPa(有多個壓力等級可供選擇)
          ·工作溫度:-40~850°C
          ·環境溫度:-40~65°C、
          ·安裝直管段要求:前0-3D直管道,後0-1D直管段
          ·量程比寬:通常爲10∶1,選擇合适的參數可達到50∶1
          ·壓損小:同樣的β值,壓損是孔闆1/3~1/5
          ·口徑從DN25~DN2000


          三、 V錐流量計 的技術特點
          1、安裝要求低:前0~3D直管道,後0~1D直管段;
          2、量程比寬:通常爲10∶1,選擇合适的參數最高可做到50∶1;
          3、壓損小:同樣的β值,壓損是孔闆1/3~1/5;
          4、耐磨損:流線型錐形體節流後,在錐形體表面産生真💌空層😝效應,使得錐形體不易磨損;
          5、不堵塞,不粘附:錐形徹底吹掃式設計避免了流體中的殘渣、凝結物或顆粒的滞留;
          6、長期穩定性好:β值可長期不變,并保證長期精确測量;
          7、精度高:0.5級;
          8、重複性好:優于0.1%;
          9、信号穩定:"信号波動"是孔闆的1/10;
          10、β值範圍寬:V錐流量傳感器獨特的幾何形狀允許有廣泛的🛌🏻β值範圍;
          11、口徑範圍寬:DN25~DN2000;
          12、可測高溫、高壓介質:工作溫度最高850℃, 最大壓力40MPa;
          13、可測髒污介質(焦爐煤氣、高爐煤氣、原料油、渣油等);
          14、可測氣液兩相介質(濕氣、冷凝水等);

          1.法蘭型連接方式:法蘭(平焊和對焊)
          口徑:DN15~DN2000
          取壓方式:承插焊,法蘭,螺紋
          壓力:0~40MPa
          溫度:-40~850℃
          材質:304不鏽鋼、316L不鏽鋼、20#碳鋼(詳見選型表)
          應用:液體,氣體,蒸汽
          适用介質:廣泛地應用于市政、電力、化工、石油化工、冶金、食品加工等行業中流量測量,幾乎适用于所…有氣體、液體介😁質。

            V錐流量計

          法蘭型V錐流量傳感器

          2.直接焊接型連接方式:直接焊接到工藝管線
          口徑:DN15~DN2000
          取壓方式:承插焊,法蘭,螺紋
          壓力:0~40MPa
          溫度:-40~850℃
          材質:304不鏽鋼、316L不鏽鋼、20#碳鋼(詳見選型表)
          應用:輸油管,輸氣管,蒸汽管網,高壓工藝管線

          V錐流量計

          3.夾持型連接方式:法蘭端面對夾
          口徑:DN15~DN150
          取壓方式:承插焊,螺紋
          壓力:0~40MPa
          溫度:-40~850℃
          材質:304不鏽鋼、316L不鏽鋼、20#碳鋼(詳見選型表)
          應用:液體,氣體,蒸汽

          V錐流量計


          四、V錐流量計選型
          image.png

          image.png


          五、V錐流量計選型需要的工藝參數

          (1)流體名稱

          (2)管道内外徑(mm)

          (3)選用V錐流量傳感器的型式

          (4)刻度流量單位(kg/h,t/h,m3/h,Nm3/h)

          (5)常用流量、最小流量、最大流量a.在工作狀态下b.在标準狀态下✍🏻(介🙉質爲氣體時應該說明流量的标準狀态)

          (6)工作壓力(MPa)

          (7)流體溫度(℃):最高、最低、常用的溫度

          (8)流體密度(kg/m3)a.在工作狀态下b.在标準狀态下(介質爲氣👼🏾體時應💔該說明密度值的狀态)

          (9) 流體粘度(Pa·s)

          (10) 相對濕度

          (11) 氣體成分:容積百分比(用于二種以上的混合氣體👾)

          (12) 傳感器的安裝方式a.水平 b.自下而上

          (13) 管道法蘭a.按法蘭标準規範,代号爲提供法蘭标準及型号b.乙方設計提供法蘭圖紙注意:·測量水和水蒸汽須提供(1)、(2)、(4)、(5)、(6)、(7)、(12)·測量一般氣體須提供(1)~(13)·測量一般溶液及油類…須提供(1)、(2)、(4)、(5)、(6)、(7)、(8)、(9)、(12)、(13)·各項數據必須填寫工藝設計的一個具體數值,請勿填寫由大約多少的某一段範圍。


           注:V錐流量計 需選配:差壓變送器、三閥組、針型閥、冷凝罐、冷凝圈、壓力變送器、溫度變送器、智能計算儀

           


           

           


           


          • 南京華爾威儀表有限公司

            掃一掃了解更多

            <address id="njl3i_l55_4v5a4"><ins id="ihhwli_ezuxie_52ad"><sup></sup><noframes><acronym></acronym>